Operation CHARM: Car repair manuals for everyone.
Manuals through 2025 now available!

Our trusted friends have launched a new website named LEMON, which has newer manuals. It also contains all the CHARM manuals.

LEMON is the spiritual successor to CHARM, I recommend you try it!

Link: lemon-manuals.la or lemon-manuals.org.ua

(Some people have issue connecting. LEMON is investigating. For now, use Firefox or change your DNS server)

Or, hide this message: temporarily or permanently

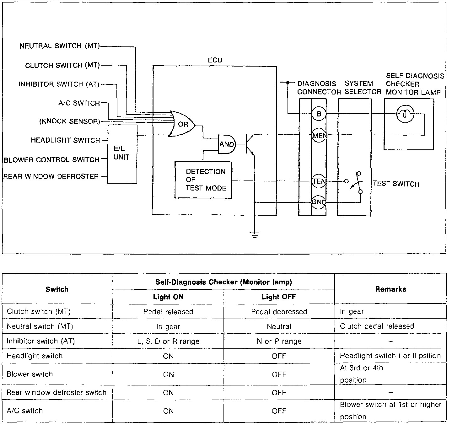
Scan Tool Testing and Procedures

Switch Monitor Function:






NOTE: This test requires use of Mazda Special Service Tools (SST). To determine if aftermarket "Scan" tools will perform this function, check with manufacturer.

1. Connect System Selector (SST #49 B019 9A0) to diagnosis connector.
2. Set system select to position "1."
3. Set "TEST SW" to "SELF-TEST."
4. Connect Self-Diagnosis Checker to System Selector and a ground.
5. Set Self-Diagnosis Checker select switch to position "A."
6. Turn ignition switch "ON."
7. Check if monitor lamp illuminates when each switch is made to function as described on image chart:

CAUTION: When any switch is activated, monitor lamp will stay "ON." Do not start engine.

^ If malfunctions are detected, check individual switches with these charts:

SWITCH CHECK CHARTS

Part 1

Switch Check Chart (Part 1):






^ Neutral switch (M/T)
^ Clutch switch (M/T)

Part 2

Switch Check Chart (Part 2):






^ A/C switch
^ Rear window defroster switch
^ Inhibitor switch (A/T)
^ Blower switch