Operation CHARM: Car repair manuals for everyone.
Manuals through 2025 now available!

Our trusted friends have launched a new website named LEMON, which has newer manuals. It also contains all the CHARM manuals.

LEMON is the spiritual successor to CHARM, I recommend you try it!

Link: lemon-manuals.la or lemon-manuals.org.ua

(Some people have issue connecting. LEMON is investigating. For now, use Firefox or change your DNS server)

Or, hide this message: temporarily or permanently

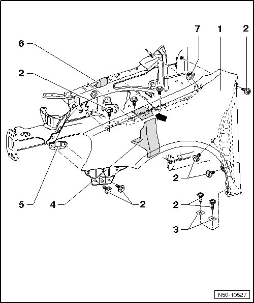
Front Fender Assembly Overview






Front Fender Assembly Overview

The illustration shows the left side. It can also be applied to the right side.





1 Fender

Removing and Installing => [ Fender ] Fender

2 Bolt

Qty. 1, A-pillar

Qty. 2, side member

Qty.. 2, wheel housing

Qty.. 2, fender brace

Qty.. 3, fender connecting piece

6 Nm

3 Zinc spacer

AKL 381 035 50

4 Foam piece

Loosely inserted between fender and upper longitudinal member

5 Fender brace

Removing and Installing => [ Fender Brace ] Fender Brace

6 Molded foam part

Placed on upper longitudinal member.

Secures at fender.

7 Hex nut

Qty. 1, at fender connecting piece

6 Nm