Operation CHARM: Car repair manuals for everyone.
Manuals through 2025 now available!

Our trusted friends have launched a new website named LEMON, which has newer manuals. It also contains all the CHARM manuals.

LEMON is the spiritual successor to CHARM, I recommend you try it!

Link: lemon-manuals.la or lemon-manuals.org.ua

(Some people have issue connecting. LEMON is investigating. For now, use Firefox or change your DNS server)

Or, hide this message: temporarily or permanently

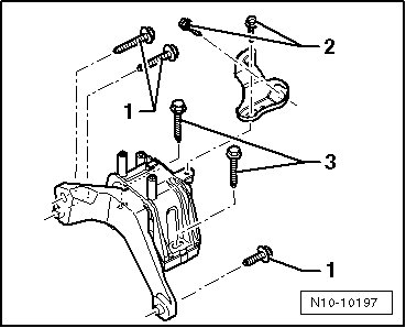
Front Subframe Mount: Specifications






Subframe Mount

Engine mount





1. = 40 Nm + 90° (1/4 turn) additional turn1)

2. = 20 Nm + 90° (1/4 turn) additional turn1)

3. = 60 Nm + 90° (1/4 turn) additional turn1)

1) Replace

Transmission mount





A = 40 Nm + 90° (1/4 turn) additional turn1)
B = 60 Nm + 90° (1/4 turn) additional turn1)

1) Replace

Pendulum supports





First install pendulum support at transmission and then at subframe.

A Strength category 8.8 = 40 Nm + 90° ( 1/4) additional turn 1)
A Strength category 10.9 = 50 Nm + 90° ( 1/4) additional turn 1)
B = 100 Nm + 90° (1/4 turn) additional turn1)

1) Replace

Removing First remove bolt - B -, then bolts - A -.

Installing: First fasten bolts - A -, then bolt - B -.