Operation CHARM: Car repair manuals for everyone.
Manuals through 2025 now available!

Our trusted friends have launched a new website named LEMON, which has newer manuals. It also contains all the CHARM manuals.

LEMON is the spiritual successor to CHARM, I recommend you try it!

Link: lemon-manuals.la or lemon-manuals.org.ua

(Some people have issue connecting. LEMON is investigating. For now, use Firefox or change your DNS server)

Or, hide this message: temporarily or permanently

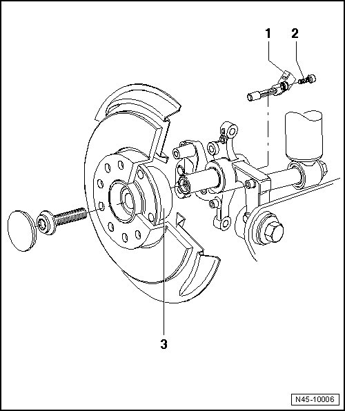
ABS Component Assembly Overview, Rear Axle, FWD






ABS Component Assembly Overview, Rear Axle, FWD





1 Wheel speed sensor

Before inserting sensor, clean inner surface of bore hole and coat with hot bolt paste (G 052 112 A3).

Removing and installing, refer to => [ Wheel Speed Sensor, Rear Axle, FWD ] Wheel Speed Sensor, Rear Axle, FWD.

2 Hex socket bolt, 8 Nm

3 Wheel bearing/hub unit

The ABS sensor ring is installed in the wheel bearing.