Operation CHARM: Car repair manuals for everyone.
Manuals through 2025 now available!

Our trusted friends have launched a new website named LEMON, which has newer manuals. It also contains all the CHARM manuals.

LEMON is the spiritual successor to CHARM, I recommend you try it!

Link: lemon-manuals.la or lemon-manuals.org.ua

(Some people have issue connecting. LEMON is investigating. For now, use Firefox or change your DNS server)

Or, hide this message: temporarily or permanently

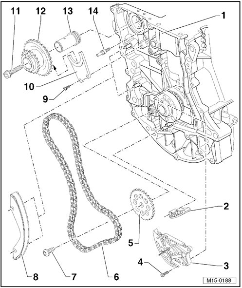
Oil Pump Drive Chain Assembly Overview



Oil Pump Drive Chain Assembly Overview




1 - Cylinder block

2 - Guide rail
- Secured on the upper section of the oil pan.
- Lubricate the pin before installing.

3 - Chain tensioner
- Secure with locking pin (T10115).

4 - Bolt, 10 Nm

5 - Oil pump sprocket
- Removing and installing.

6 - Oil pump drive chain
- From Model Year (MY) 2008 the roller chain has been changed to a toothed chain.
- Removing
- Remove the engine. Service and Repair
- Remove the control housing cover. Service and Repair
- Remove the timing chain. Service and Repair
- Remove the chain tensioner - item 3 -.
- Mark direction of travel.
- Note when installing: Install in original direction of travel.
- Chain must lay correctly in the tensioning and guide rails.
- Adjust the valve timing.

7 - Bolt, 20 Nm + 90° (1/4 turn) additional turn
- Always replace.

8 - Guide rail
- Lubricate the pin before installing.

9 - Bolt, 10 Nm

10 - Axial bearing disc
- Engages in groove of the double wheel sprocket- item 12 - .

11 - Bolt, 60 Nm + 90° (1/4 turn) additional turn
- Always replace.

12 - Double wheel sprocket
- Lubricate the journal before installing.
- Oil groove for axial bearing disc - item 10 -.

13 - Journal for the double wheel sprocket

14 - Pin, 40 Nm
- For the timing chain tensioner.