Operation CHARM: Car repair manuals for everyone.
Manuals through 2025 now available!

Our trusted friends have launched a new website named LEMON, which has newer manuals. It also contains all the CHARM manuals.

LEMON is the spiritual successor to CHARM, I recommend you try it!

Link: lemon-manuals.la or lemon-manuals.org.ua

(Some people have issue connecting. LEMON is investigating. For now, use Firefox or change your DNS server)

Or, hide this message: temporarily or permanently

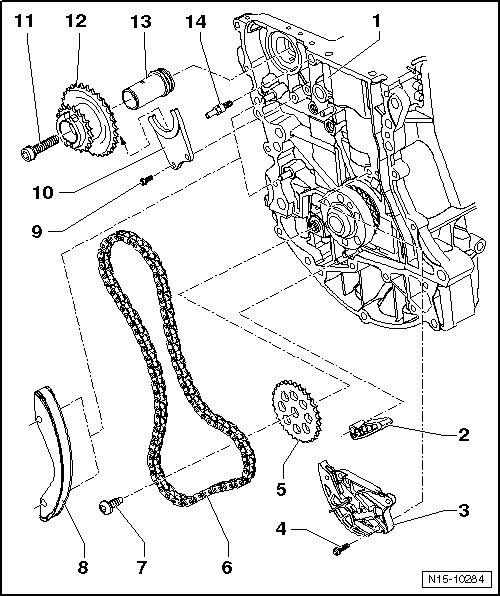
Chain Drive Overview






Chain Drive Overview





I - => [ Chain Drive Overview ]

II - => [ Timing Chain Assembly Overview ]

III - => [ Oil Pump Drive Chain Assembly Overview ]

Chain Drive Overview





1 Exhaust Camshaft Sprocket

2 Timing Chain Tensioner

At the top with a sliding insert.

3 Timing Chain

4 Tensioning Rail

For the timing chain tensioner.

Secured to the cylinder block.

5 Oil Pump Drive Chain Tensioner

With tensioning rail.

6 Crankshaft Sprocket

Component of the crankshaft.

7 Oil Pump Drive Chain Guide Rail

Secured to the upper oil pan.

8 Oil Pump Sprocket

Removing and installing, refer to => [ Oil Pump ] Oil Pump.

9 Oil Pump Drive Chain Guide Rail

10 Oil Pump Drive Chain

From MY 2008 the roller chain has been changed to a toothed chain.

11 Double Chain Sprocket (Drive Wheel)

12 Timing Chain Guide Rail

13 Intake Camshaft Adjuster

With sprocket.

Timing Chain Assembly Overview





1 Intake Camshaft Adjuster

With sprocket.

Do not disassemble.

2 Exhaust Camshaft Sprocket

Not pressed on the camshaft.

When removing, lightly pry off if necessary.

3 Cylinder Head

4 Tensioning Rail

For the timing chain tensioner.

Secured to the cylinder block.

Oil before installing on the pin.

5 Double Chain Sprocket (Drive Wheel)

Securing, refer to => [ Oil Pump Drive Chain Assembly Overview ].

6 Timing Chain

Removing:

- Work procedure same as for => [ Valve Timing, Adjusting ] Adjustments.

- Remove vacuum pump. Refer to => [ Brake Booster Vacuum Pump ] Brake Booster Vacuum Pump.

- Mark direction of travel.

Note when installing:

- Install in original direction of rotation.

- Chain must lie correctly in tensioning and guide rails.

- Adjust the valve timing. Refer to => [ Valve Timing, Adjusting ] Adjustments.

7 Strainer

Replace

8 Bolt

10 Nm

9 Timing Chain Tensioner

Secure with locking pin (T03006).

10 Gasket

Replace

11 Guide Rail

Oil before installing on the pin.

12 Bolt

Replace

60 Nm + 90° (1/4) additional turn.

13 Bolt

Replace

60 Nm + 90° (1/4) additional turn.

Oil Pump Drive Chain Assembly Overview





1 Cylinder Block

2 Guide Rail

Secured to the upper oil pan.

Oil before installing on the pin.

3 Oil Pump Drive Chain Tensioner

Secure with locking pin (T10115).

4 Bolt

10 Nm

5 Oil Pump Sprocket

Removing and installing, refer to => [ Oil Pump ] Oil Pump.

6 Oil Pump Drive Chain

From MY 2008 the roller chain has been changed to a toothed chain.

Removing:

- Remove the engine.

- Remove the control housing cover.

- Remove the timing chain.

- Remove the chain tensioner - item 3 -.

- Mark direction of travel.

Note when installing:

- Install in original direction of rotation.

- Chain must lie correctly in tensioning and guide rails.

- Adjust the valve timing. Refer to => [ Valve Timing, Adjusting ] Adjustments.

7 Bolt

Replace

20 Nm + 90° (1/4) additional turn.

8 Guide Rail

Oil before installing on the pin.

9 Bolt

10 Nm

10 Axial Bearing Disc

Engages in the groove in the double chain sprocket (drive wheel) - item 12 -.

11 Bolt

Replace

60 Nm + 90° (1/4) additional turn.

12 Double Chain Sprocket (Drive Wheel)

Oil the journal before installing.

Lubricate the axial bearing disc - item 10 - groove.

13 Double Chain Sprocket (Drive Wheel) Journal

14 Tensioning Rail Pin

40 Nm

For the timing chain tensioner.