Operation CHARM: Car repair manuals for everyone.
Manuals through 2025 now available!

Our trusted friends have launched a new website named LEMON, which has newer manuals. It also contains all the CHARM manuals.

LEMON is the spiritual successor to CHARM, I recommend you try it!

Link: lemon-manuals.la or lemon-manuals.org.ua

(Some people have issue connecting. LEMON is investigating. For now, use Firefox or change your DNS server)

Or, hide this message: temporarily or permanently

Condenser HVAC: Service and Repair






Condenser

Special tools, testers and auxiliary items required

Torque wrench (V.A.G 1331/) (5 to 50 Nm)

A/C service station (VAS 6007A) or succeeding model.

Refrigerant must be extracted before hand using e.g. A/C service station (VAS 6007A).

The previously used service stations can still be used catalog V.A.G tools.

To prevent the ingress of dampness all components of the refrigerant circuit which have been opened must be sealed with suitable plugs.

Perform following work first:

- Switch off all electrical consumers.

- Switch off ignition.

- Remove ignition key.

- Extract refrigerant e.g. using A/C service station (VAS 6007A).

Environmentally hazardous draining of refrigerant is an offense punishable by law.

- Remove front bumper

- Remove lock carrier

CAUTION!
There is a danger of ice-up.

Refrigerant leaks out if refrigerant circuit is not discharged.

Refrigerant must be extracted before opening refrigerant circuit. If refrigerant circuit is not opened within 10 minutes of extraction, pressure may form in refrigerant circuit due to evaporation. Extract refrigerant once more.

- Remove refrigerant pipes/hoses at condenser and seal.





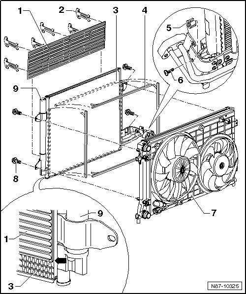
1 Protective grate

Only for vehicles with rough terrain equipment.

Only in vehicles with "Showa" condenser.

Position protective grate from below on the 3rd rib - arrow -.

2 Securing clip

Qty. 8

3 Condenser

Secure to radiator with 4 bolts

4 Sealing strips

Adhere the upper sealing strips from above onto the 6th row of fins on the condenser before installing.

Adhere the lower sealing strips from below onto the 1st row of fins on the condenser before installing.

Before assembly, attach side sealing strips to outer edge of condenser.

5 Spacer

Spacer is only installed in vehicles with gasoline engine!

6 Screw

5 ± 0.5 Nm

7 Radiator

8 Screws

Qty. 4

5 ± 0.5 Nm

On vehicles with gasoline engine, first secure bolt - 6 - before bolts - 8 - are secured.

9 Fluid reservoir with drier

Under certain conditions, fluid reservoir with dryer is no longer to be replaced after each time the refrigerant circuit is opened. In ELSA, see Heating/Ventilation/Air Conditioning; Air Conditioning with R134a Refrigerant; Technical Data; Replacing Components.

Removing and installing => [ Fluid Reservoir with Dryer ] Service and Repair