Accelerator Pedal Module
Accelerator Pedal Module
Special tools, testers and auxiliary items required
• Release Tool (T10238)
Removing
- Remove the steering column cover fasteners - arrows - and cover.
- Pry out the cap - 3 - with a screwdriver.
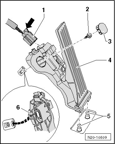
- Remove the bolt - 2 -.
- Disconnect the connector - 1 - - arrow - from the accelerator pedal module.
- Slide the (T10238) as shown into openings designated for it until it stops and remove accelerator pedal module.
Installing
- Connect the connector - 1 - to the accelerator pedal module - 4 -. Lock the connector - arrow -.
- Press accelerator pedal module onto the retaining pin - 5 -.
- Insert centering pin - 6 - into hole on vehicle floor.
- Install the accelerator pedal module with the bolt - 2 - and install the cap - 3 -.
- Reinstall steering column cover and fasteners - arrows -
- If the accelerator pedal module was replaced, adapt it to the Engine Control Module (ECM). Refer to the vehicle diagnosis, testing and information system "Guided Functions".
- If the accelerator pedal module was replaced in vehicles with an automatic transmission, program the kick down function. Refer to the vehicle diagnosis, testing and information system "Guided Functions".
Tightening Specification